Mô-đun rơle Cabur XR082S24
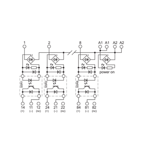
Mô-đun rơle Cabur XR082S24 công nghiệp 8 kênh, sử dụng điện áp điều khiển 24VDC, phù hợp cho các ứng dụng đóng cắt và cách ly tín hiệu trong hệ thống tự động hóa. Thiết kế dạng module nhỏ gọn, gắn DIN rail hoặc panel, tích hợp đèn LED báo trạng thái giúp giám sát dễ dàng. Vỏ cách điện chất lượng cao, đảm bảo an toàn và độ tin cậy trong vận hành.

Tính năng nổi bật:
8 kênh rơle độc lập, tối ưu cho hệ thống điều khiển nhiều tải.
Điều khiển bằng nguồn 24VDC, phù hợp chuẩn công nghiệp.
Tích hợp LED báo trạng thái cho từng kênh, dễ dàng giám sát và bảo trì.
Cách ly điện áp cao, bảo vệ PLC và thiết bị ngoại vi.
Lắp đặt đơn giản với thanh DIN rail, tiết kiệm không gian tủ điện.
Thiết kế chắc chắn, hoạt động ổn định trong môi trường công nghiệp.
Thông số kỹ thuật:
Thông số | Giá trị |
| Điện áp đầu vào danh nghĩa: | 24 VDC (19.5…28.5 VDC) |
| Điện áp kéo vào / bỏ ra: | 19.2 V / 1 V |
| Dòng tiêu thụ đầu vào: | 25 mA ±10% @ 24 VDC |
| Thời gian BẬT / TẮT: | 1 ms / 1 ms |
| Tần số hoạt động: | Tối đa 100 Hz |
Số kênh rơle: | 8 kênh (kiểu kéo ra) |
| Loại liên hệ: | Bán dẫn (Solid State) |
| Điện áp đầu ra: | 3…50 VDC |
| Dòng tải định mức: | 2 A (24 VDC @ 30 °C) |
| Dòng điện tối đa: | 8 A trong 10 ms |
| Dòng rò khi OFF: | 0,1 mA |
| Tải áp dụng tối thiểu: | 10 mA |
| Cách ly đầu vào / đầu ra: | 2.5 kVAC / 60 giây |
Ứng dụng:
Tự động hóa công nghiệp: kết nối PLC, HMI, cảm biến và cơ cấu chấp hành.
SCADA/DCS: làm giao diện cách ly và điều khiển tín hiệu.
Điều khiển máy móc: động cơ, van điện từ, đèn báo, cuộn coil.
Hệ thống năng lượng: trạm biến áp, nhà máy điện, hệ thống bảo vệ rơle.
Tòa nhà thông minh: điều khiển chiếu sáng, HVAC, an ninh.
Ngoài ra chúng tôi còn cung cấp các model khác như:
Mô-đun rơle Cabur XR082T24
Mô-đun rơle Cabur XR082EAD
Mô-đun rơle Cabur XR082E24
Mô-đun rơle Cabur XR081U24F
Mô-đun rơle Cabur XR081S24F
Mô-đun rơle Cabur XR081EAD
Mô-đun rơle Cabur XR081E24
Mr.Nhân
LGP Co., Ltd – Chúng tôi cung cấp Mô-đun rơle Cabur XR082S24, nổi tiếng về chất lượng và hiệu suất vượt trội trên thị trường. Sản phẩm của chúng tôi được khách hàng đánh giá cao về độ tin cậy và chất lượng tiêu chuẩn. Các sản phẩm được kiểm tra cẩn thận, mua từ các nguồn uy tín và có nhu cầu cao. Chúng tôi cung cấp trên toàn quốc với giá cả cạnh tranh. Ngoài ra, chúng tôi còn cung cấp các sản phẩm của các thương hiệu như Silvent, Vikan, Air Torque, Jumo, Yudian,…
*Liên hệ với chúng tôi:
CÔNG TY TNHH THƯƠNG MẠI VÀ DỊCH VỤ LÂM GIA PHÚ
– Địa chỉ: 28/12B, Đường 32, Phường Linh Đông, Quận Thủ Đức, Thành phố Thủ Đức.
– Điện thoại: +84 90 664 0828 (Ms. Như/Ms. Joyce)
– Email: marketing1@lamgiaphu.com
English

