Mô-đun chuyển đổi voith DSM I/H
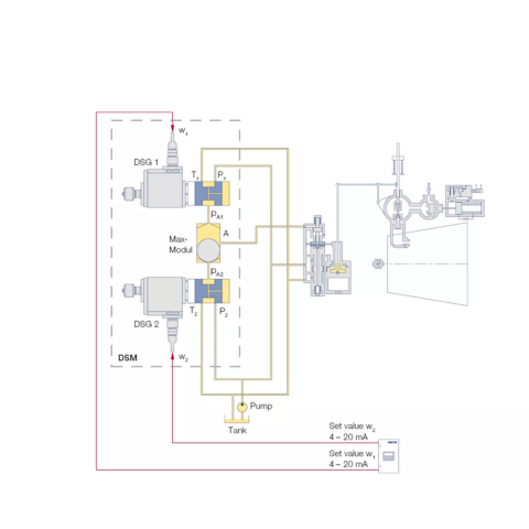
Mô-đun chuyển đổi Voith DSM I/H là bộ chuyển đổi dòng điện sang áp suất kép / song công dự phòng (DX-CPC), điều chỉnh xi lanh định vị thủy lực bằng van thí điểm trong các quy trình yêu cầu tính khả dụng cao. Các xi lanh định vị vận hành một van điều khiển lưu lượng khối lượng cần thiết để điều khiển máy móc.

Các lĩnh vực điển hiển:
- Hoạt động của van điều khiển trong:
- Tua bin hơi nước
- Tuabin khí
- Nén
- Trang bị thêm bộ điều khiển van cơ khí-thủy lực
- Nâng cấp hệ thống với bộ chuyển đổi I/H Voith DSG
- Nâng cấp hệ thống có bộ chuyển đổi Woodward CPC hoặc CPC-II dự phòng một phần hoặc không dự phòng
Thông số kỹ thuật:
| Lên đến 30 l / phút [7.9 gpm] ở áp suất chênh lệch 1 bar [14.5 psi] |
| Lên đến 40 bar [580 psi] |
| 0 – 10 thanh [0 – 145 psi] |
| 24 VDC |
| 1.0 A (3.0 A cho t < 1 giây) |
| 4 – 20 mA |
| Vị trí không an toàn thông qua áp suất đầu ra |
| Dự phòng nóng |
| -20 đến + 80 ° C [-4 đến + 176 ° F] |
Ưu điểm:
Dự phòng 2 bộ chuyển đổi I/H → MTBF mô-đun > 20.000 năm.
Thay nóng bộ chuyển đổi I/H khi hỏng, không cần dừng hệ thống.
Chịu dầu thí điểm nhiễm bẩn; dùng chung dầu bôi trơn tuabin làm dầu vận hành → đơn giản hóa hệ dầu.
Phản hồi cực nhanh, hầu như không trễ, độ phân giải <0,1%.
Kết nối chuẩn công nghiệp, có plate tương thích hệ thiết kế cho Woodward CPC/CPC-II.
Lợi ích:
Tính sẵn sàng tối đa, giảm dừng máy ngoài kế hoạch.
Tăng năng suất, giảm chi phí tổn thất sản xuất.
Giảm chi phí tích hợp và thời gian lắp đặt.
Chất lượng quy trình ổn định, điều khiển chính xác.
Mr.Nhân
English



