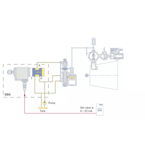
Bộ chuyển đổi Voith DSG I / H
Bộ chuyển đổi Voith DSG I / H là bộ chuyển đổi dòng điện sang áp suất (CPC), điều chỉnh xi lanh định vị thủy lực bằng van thí điểm. Các xi lanh định vị vận hành một van điều khiển lưu lượng khối lượng cần thiết để điều khiển máy móc. Bộ chuyển đổi Voith I / H (CPC) đảm bảo kiểm soát dòng khối rất chính xác và động cao.

Các lĩnh vực điển hình:
- Hoạt động của van điều khiển cho:
- Tua bin hơi nước
- Tuabin khí
- Nén
- Trang bị thêm bộ điều khiển van cơ khí-thủy lực
- Nâng cấp hệ thống với bộ chuyển đổi Woodward CPC hoặc CPC-II
Thông số kỹ thuật:
| Lên đến 140 l / phút [37 gpm] ở áp suất chênh lệch 1 bar [14,5 psi] |
| Lên đến 70 bar [1.015 psi] |
| 0 – 35 thanh [0 – 508 psi] |
| 24 VDC |
| 1.0 A (3.0 A cho t < 1 giây) |
| 0/4 – 20 mA |
| Vị trí không an toàn thông qua áp suất đầu ra |
Ứng dụng thực tế:
Độ tin cậy rất cao: MTBF > 600 năm → tăng năng suất, chi phí dừng máy thấp.
Vận hành & bảo trì: Không nhạy dầu pilot bẩn; dùng dầu bôi trơn tuabin làm chất lỏng vận hành; một hệ dầu chung là đủ; bảo trì đơn giản → giảm OPEX.
Hiệu năng điều khiển: Phản hồi rất nhanh, gần như không độ trễ; độ phân giải >0,1% → điều khiển chính xác, quy trình ổn định, chất lượng sản phẩm cao.
Tích hợp dễ dàng: Kết nối chuẩn công nghiệp; có tấm chuyển đổi tương thích hệ Woodward CPC/CPC-II.
Linh hoạt cấu hình: Dải áp suất đầu ra chỉnh nhanh tại chỗ bằng chiết áp.
An toàn: Có phiên bản chống cháy nổ được chứng nhận cho khu vực nguy hiểm.
Ngoài ra chúng tôi còn cung cấp các model khác như:

Mr.Nhân
English



