Vibrostop MM 30 – Chân đế chống rung hiệu suất cao
Tổng quan
Vibrostop MM 30 là một trong những model thuộc dòng sản phẩm chân đế chống rung hiệu suất cao Vibrostop MM, được thiết kế và sản xuất bởi Vibrostop SRL, một công ty hàng đầu của Ý trong lĩnh vực công nghệ elastomer. Chân đế Vibrostop MM 30 được chế tạo từ thép và elastomer, cung cấp khả năng chống rung và giảm chấn động hiệu quả trong các ứng dụng dân dụng và quân sự.

Hình:Vibrostop MM 30 – Chân đế chống rung hiệu suất cao
Ưu điểm
- Chống rung đa hướng: Vibrostop MM 30 có khả năng chống rung hiệu quả ở mọi hướng, bảo vệ thiết bị khỏi tác động của rung động.
- Độ bền cao: Vibrostop MM 30 được làm từ vật liệu thép và elastomer chất lượng cao, đảm bảo tuổi thọ lâu dài.
- Khả năng chống sốc: Vibrostop MM 30 đã được thử nghiệm và chứng minh khả năng chịu sốc lên đến 40g, bảo vệ thiết bị khỏi những va đập mạnh.
- Dễ dàng lắp đặt: Vibrostop MM 30 có thể được lắp đặt dễ dàng giữa tấm máy và đế gắn.
Ứng dụng
Vibrostop MM 30 được sử dụng trong các ứng dụng sau:
- Dân dụng: Máy bơm, quạt, động cơ.
- Quân sự: Động cơ tàu thủy.
Cơ chế hoạt động
Vibrostop MM 30 hoạt động dựa trên nguyên lý giảm chấn động và hấp thụ rung động thông qua độ đàn hồi của elastomer. Khi chịu tác động của rung động, elastomer sẽ biến dạng và hấp thụ năng lượng rung động, giúp giảm thiểu rung động truyền đến thiết bị được bảo vệ.
Cách sử dụng
- Lắp đặt Vibrostop MM 30: Cố định chân đế vào vị trí mong muốn trên thiết bị và bề mặt lắp đặt.
- Kiểm tra: Đảm bảo Vibrostop MM 30 được lắp đặt chắc chắn và an toàn.
Thông số kỹ thuật
Dưới đây là thông số kỹ thuật của Vibrostop MM 30:
- Tải trọng (Load): 30-50 N
- Độ võng (Deflection): 4-5 mm
- Tần số tự nhiên (Natural Frequency): 8-7 Hz
- Độ cứng tĩnh (Static Stiffness): 7.5-10 daN/mm
- Độ cứng động (Dynamic Stiffness): 12-16 daN/mm
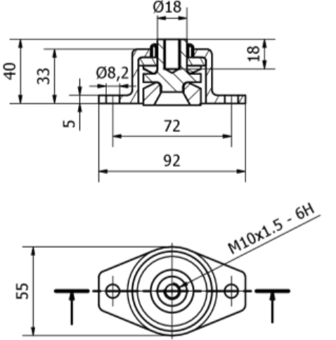
Kích thước: Chi tiết kích thước được thể hiện trong hình vẽ

LGP Co., Ltd – Chúng tôi cung cấp Vibrostop MM 30 – Chân đế chống rung,nổi tiếng về chất lượng và hiệu suất vượt trội trên thị trường. Sản phẩm của chúng tôi được khách hàng đánh giá cao về độ tin cậy và chất lượng tiêu chuẩn. Các sản phẩm được kiểm tra cẩn thận, mua từ các nguồn uy tín và có nhu cầu cao. Chúng tôi cung cấp trên toàn quốc với giá cả cạnh tranh. Ngoài ra, chúng tôi còn cung cấp các sản phẩm của các thương hiệu như VEE GEE Scientific,EATON-BUSSMANN, Bauergears, HEB Hydraulik , Beinat, Aeautel, Borger, Silvent, Vikan, Air Torque, Jumo, Yudian,…
*Liên hệ với chúng tôi:
CÔNG TY TNHH THƯƠNG MẠI VÀ DỊCH VỤ LÂM GIA PHÚ
– Địa chỉ: 28/12B, Đường 32, Phường Linh Đông, Quận Thủ Đức, Thành phố Thủ Đức.
– Điện thoại: +84 90 664 0828 (Ms. Như /Ms. Joyce)
– Email: marketing1@lamgiaphu.com
English