Encoder Nemicon OEZ
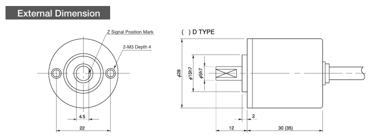
Encoder Nemicon OEZ là bộ mã hóa vòng quay dạng incremental (xung gia tăng), được thiết kế nhỏ gọn, độ chính xác cao, thích hợp cho các hệ thống điều khiển tự động. Sản phẩm thuộc dòng encoder công nghiệp của Nemicon – thương hiệu Nhật Bản uy tín, chuyên dùng trong đo lường tốc độ, vị trí và điều khiển chuyển động.

Tính năng nổi bật:
Thiết kế nhỏ gọn, dễ dàng lắp đặt trong không gian hẹp.
Độ phân giải đa dạng (P/R) phù hợp nhiều yêu cầu điều khiển.
Độ chính xác cao, tín hiệu ngõ ra ổn định.
Tín hiệu A, B vuông góc 90°, có thể kèm tín hiệu Z (Index).
Ngõ ra đa dạng: Open Collector, Line Driver, Voltage Output.
Độ bền cao, hoạt động ổn định trong môi trường công nghiệp.
Tuân thủ RoHS, an toàn và thân thiện môi trường.
Thông số kỹ thuật:


Ứng dụng thực tế:
Điều khiển máy CNC, máy cắt, máy phay.
Đo tốc độ và vị trí trong hệ thống động cơ servo/stepper.
Ứng dụng trong robot công nghiệp.
Dùng trong máy đóng gói, máy in, máy dệt.
Giám sát và điều khiển chuyển động trong tự động hóa nhà máy.
Ngoài ra chúng tôi còn cung cấp các model khác như:

Mr.Nhân
LGP Co., Ltd – Chúng tôi cung cấp Encoder Nemicon OEZ, nổi tiếng về chất lượng và hiệu suất vượt trội trên thị trường. Sản phẩm của chúng tôi được khách hàng đánh giá cao về độ tin cậy và chất lượng tiêu chuẩn. Các sản phẩm được kiểm tra cẩn thận, mua từ các nguồn uy tín và có nhu cầu cao. Chúng tôi cung cấp trên toàn quốc với giá cả cạnh tranh. Ngoài ra, chúng tôi còn cung cấp các sản phẩm của các thương hiệu như Silvent, Vikan, Air Torque, Jumo, Yudian,…
*Liên hệ với chúng tôi:
CÔNG TY TNHH THƯƠNG MẠI VÀ DỊCH VỤ LÂM GIA PHÚ
– Địa chỉ: 28/12B, Đường 32, Phường Linh Đông, Quận Thủ Đức, Thành phố Thủ Đức.
– Điện thoại: +84 90 664 0828 (Ms. Như/Ms. Joyce)
– Email: marketing1@lamgiaphu.com
English





